Tukkumyynti Syklonilevyn märkäpesuri

  • Syklonilevyn märkäpesuri

Syklonilevyn märkäpesuri

Syklonipesuritornissa on tyypillisesti sylinterimäinen tornirunko, joka on varustettu kierrelevyillä. Käytön aikana savukaasut tulevat sisään tornin pohjasta tangentiaalisesti ja virtaavat ylöspäin. Ohjauslevyjen terien ohjaama kaasu kiertyy ylöspäin ja sumuttaa levyjä pitkin alas virtaavan nesteen hienoiksi pisaroiksi. Tämä luo suuren kaasun ja nesteen kosketusalueen. Kaasuvirta kuljettaa pisaroita ja pyörii, jolloin syntyy keskipakovoimaa, joka tehostaa kaasun ja nesteen vuorovaikutusta. Lopulta pisarat heitetään tornin seinälle, virtaavat alaspäin seinää pitkin seuraavalle ohjauslevylle ja kaasuvirran avulla sumutetaan ne uudelleen kosketusta varten. Kuten kuvattiin, neste saavuttaa perusteellisen kosketuksen kaasun kanssa samalla kun se säilyttää tehokkaan erotuksen – minimoi sumun kulkeutumisen. Tämän järjestelmän kaasu-neste-kuormituskyky on yli kaksinkertainen perinteisiin ohjauslevyihin verrattuna.

Tornin erinomaiset kaasu-nestekontaktiolosuhteet varmistavat jätekaasujen tehokkaan imeytymisen emäksisiin nesteisiin. Lisäksi syklonipesuritorni osoittaa erinomaisen pölynpoistokyvyn. Kaasun pölyhiukkaset vangitaan vesisumulla spiraalisilla ohjauslevyillä, ja myös hiukkaset ja pisarat, joita keskipakovoiman avulla lentävät tornin seinään, poistetaan tehokkaasti. Tämän seurauksena tornista poistuva kaasu kuljettaa mukanaan mahdollisimman vähän pölyä ja pisaroita. Tyhjän tornin tuulen nopeus vaihtelee välillä 2,2–2,7 m/s.

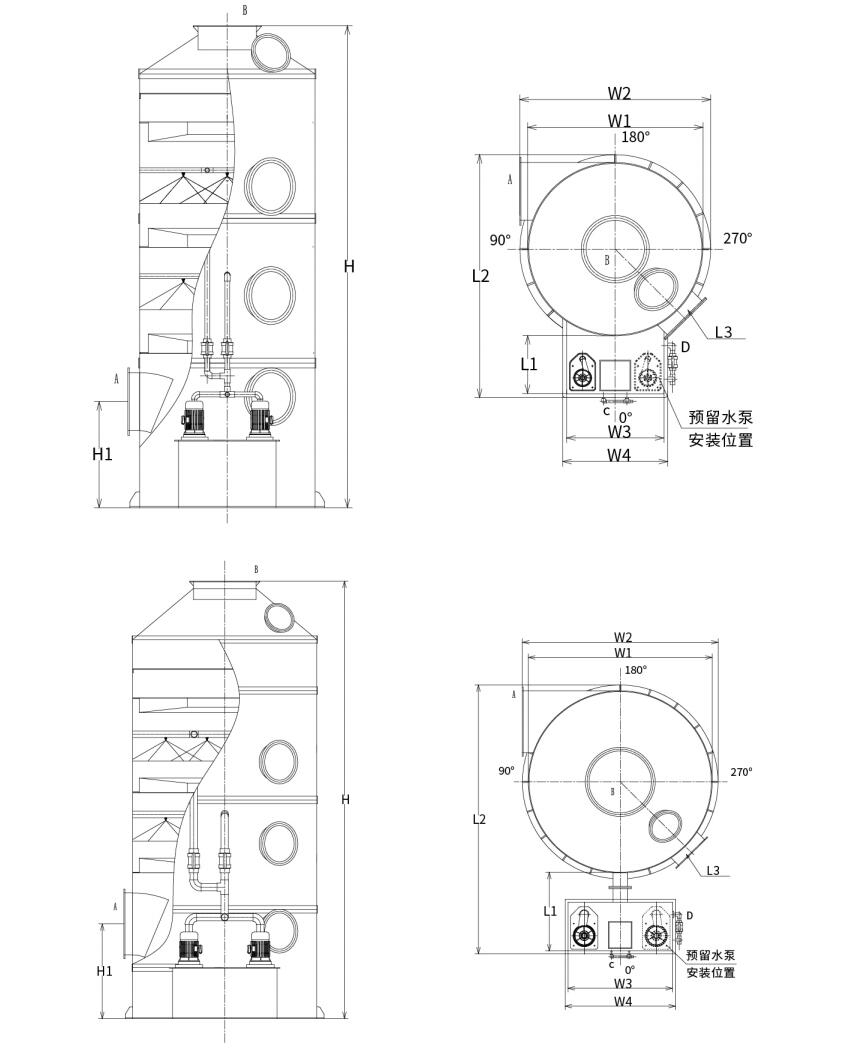
Pyörresuihkutornin rakenne:
Kuten kuvasta: Täydellinen pakattu ruiskupesujärjestelmä sisältää seuraavat osat:

● Tornirunko PP (polypropeeni) -levyistä;

● Runko on valmistettu PP-kierrelevyistä;

● UPVC:stä (pehmittämättömästä polyvinyylikloridista) valmistetut ruiskuliitosputket;

● PP-spiraalisuuttimet;

● Korroosionkestävä PP-kiertovesipumppu;

● Huurteenpoistokerros (verkko/sykloni/levytyyppi);

● Manuaaliset ja automaattiset vedentäyttölaitteet;

● Ylivuoto- ja viemäriputket;

● Tarkastusikkuna.

Syklonilevytornin valintaparametrit:
Kuljetusmukavuuden ja turvallisuuden takaamiseksi PP-syklonipesurit on jaettu kahteen erittelyluokkaan:

Tyyppi 1: Integroitu vesisäiliön syklonipesuri (tornin halkaisija: Φ1000mm-Φ2200mm)

Tyyppi 2: Jaettu vesisäiliön syklonipesuri (tornin halkaisija: Φ2500mm-Φ3500mm)


Ilmavirtauskapasiteettia vastaavat syklonipesuritornimallit:

Malli Ilmamäärän alue Laitteen koko Vesipumpun teho Pyörreterien lukumäärä Tuulen nopeusalue Varusteiden materiaali
XL-600 0-2800m³/h Φ600 × 2950 0,75 kW 2 0-2,76 m/s PP/304/Q235/FRP
XL-800 3800-5000m³/h Φ800 × 3300 0,75 kW 2 2,11-2,77 m/s PP/304/Q235/FRP
XL-1000 6000-7500m³/h Φ1000×4380 1,5kw 2 2,13-2,66 m/s PP/304/Q235/FRP
XL-1200 8500-11000m³/h Φ1200×4430 2,2kw 2 2,09-2,71 m/s PP/304/Q235/FRP
XL-1500 14000-17000m³/h Φ1500×5000 3,75 kW 2 2,2-2,68 m/s PP/304/Q235/FRP
XL-1800 20000-25000m³/h Φ1800×5650 5,5kw 2 2,19-2,73 m/s PP/304/Q235/FRP
XL-2000 25001-30000m³/h Φ2000×6200 5,5kw 2 2,21-2,66 m/s PP/304/Q235/FRP
XL-2200 30001-37000m³/h Φ2200×6700 7,5 kW 2 2,19-2,71 m/s PP/304/Q235/FRP
XL-2500 40000-47000m³/h Φ2500×6850 7,5 kW 2 2,27-2,66 m/s PP/304/Q235/FRP
XL-2800 49000-58000m³/h Φ2800×7900 11kw 2 2,21-2,62 m/s PP/304/Q235/FRP
XL-3000 58000-68000m³/h Φ3000×8000 11kw 2 2,28-2,67 m/s PP/304/Q235/FRP
XL-3200 68000-78000m³/h Φ3200×8000 15kw 2 2,35-2,7 m/s PP/304/Q235/FRP
XL-3500 78000-88000m³/h Φ3500×8000 15kw 2 2,25-2,54 m/s PP/304/Q235/FRP

Huomautus: Epätyypillisiä malleja voidaan tehdä asiakkaan vaatimusten mukaan.

Valintakaavio:

Hangzhou Lvran Environmental Protection Group Co., Ltd.

  • 1000+

    Palveluyksikön asiakkaat

  • 2000+

    National Engineering Cases

Hangzhou Lvran Environmental Protection Group Co., Ltd. on kattava jätekaasujen käsittelyjärjestelmien suunnittelupalvelujen tarjoaja ja laitevalmistaja, joka yhdistää T&K:n, tekniset palvelut, suunnittelun, tuotannon, suunnitteluasennukset ja huoltopalvelut.

We are China Syklonilevyn märkäpesuri Suppliers and Wholesale Syklonilevyn märkäpesuri Exporter, Company. Konserni on kansallinen korkean teknologian yritys, Zhejiangin maakunnan tiede- ja teknologiayritys, alueellinen T&K-keskus ja AAA-luokiteltu luottoyksikkö. Sillä on yli 30 hyödyllisyysmallipatenttia, lukuisia keksintöpatentteja ja ohjelmistojen tekijänoikeuksia. Konsernilla on pitkäaikainen tekninen T&K-yhteistyö kotimaisten yliopistojen ja laitosten kanssa, mukaan lukien Anhuin tiede- ja teknologiayliopiston kanssa perustettu "Environmental Innovation T&D Center" ja yhdessä Zhejiangin tiede-teknologian yliopiston kanssa kehitetty "Plasmaenergian ja ympäristön uuden teknologian tutkimus- ja kehityskeskus". Konserni on perustanut oman tuotekehitys- ja tuotantopohjansa syvällistä teknistä yhteistyötä varten. Konsernilla on keskeinen VOC-kaasunkäsittelyteknologia, tason 2 yleisurakoitsijan pätevyys kunnalliseen julkiseen rakentamiseen, turvallisuustuotantolupa, luokan B erikoissuunnittelun pätevyys ympäristön pilaantumisen hallintaan Zhejiangin maakunnassa, luokittelemattomat työvoimapalvelujen pätevyydet ja erikoisurakointi erikoisprojekteihin. Konsernilla on kansainvälisen laadun ISO9001, ympäristöjohtamisen ISO14001 ja työterveyden ja -turvallisuuden ISO45001 sertifikaatit.

KUNNITUS & SERTIFIKAATTI

Seuraavat kunnianosoitukset edustavat loistoamme. Saavutamme asiakkaita laadukkailla tuotteilla ja saamme paljon kiitosta markkinoilta ja kaikilta elämänaloilta hyvillä palveluilla.

  • Levytyyppinen korkean sähkökentän perusyksikkö ja reaktori vuotojen estämiseksi pintaa pitkin
  • Reaktiolaite metanolin syntetisoimiseksi hiilidioksidilla ja vedellä sekä menetelmä metanolin syntetisoimiseksi hiilidioksidilla ja vedellä
  • Itsepuhdistuva sähkösuodatin
  • Korroosionkestävä korkeapainepuhallin tuulen suunnan säätötoiminnolla
  • Säädettävä itsepuhdistuva suuritehoinen tuuletin
  • Yhdistetty katalyyttisen kaasutuksen pakokaasujen esikäsittelyn ohjausjärjestelmä
  • Höyrypuhdistus jatkuva sähköstaattisen kentän pakokaasujen puhdistus- ja käsittelyjärjestelmä
  • Matalan lämpötilan plasma UV-fotolyysi pakokaasujen puhdistusjärjestelmä
  • Tavaramerkin rekisteröintitodistus
Viimeaikaiset uutiset ja tapahtumat
Jaa kanssasi
Katso lisää uutisia