Tukkumyynti Kemiallinen pesuri

  • Kemiallinen pesuri

Kemiallinen pesuri

Kemiallinen pesuri on edistynyt pesusuodatin. Se käyttää erityistä rakennetta ja suurta säännöllisen pakkauksen ominaispinta-alaa massansiirto- ja kuivauspakkauksena. Samanaikaisesti hajun eri hajua aiheuttavien komponenttien mukaan vastaavaa happoa, alkalia ja hapetinta käytetään absorptiopesunesteenä poistamaan hajua tilassa ja eliminoimaan vaikutukset ympäröivään ympäristöön.

Hajuinen ilmavirta kulkeutuu ilmakanavan läpi ja tulee torniin tornin sisääntuloaukosta. Päästyään torniin se kulkee tiivistekerroksen läpi alhaalta ylöspäin ja lopulta poistuu tornin yläputken poistoaukosta korroosionestopuhaltimen kautta. Neutraloiva liuos kulkee tornin yläosassa olevan nesteerottimen läpi, suihkuttaa tasaisesti tiivistekerrokseen, virtaa alas tiivistekerroksen pintaa pitkin, kunnes se poistuu tornin pohjasta putkilinjaa pitkin ja kierrättää sitä korroosionestovesipumpulla. Kun liuenneiden aineiden pitoisuus nousevassa ilmavirrassa laskee ja pienenee, puhdistustoiminto saavutetaan, kun se saavuttaa tornin huipulle, ja se puretaan tai jatketaan puhdistamista seuraavan vaiheen ajan. Päinvastoin, väliaineen pitoisuus laskeutuvassa nesteessä kasvaa ja nousee ja se saavuttaa prosessiolosuhteet saavuttaessaan tornin pohjan ja poistuessaan tornista.

Suihkepakkaustornin edut: Sillä on korkea hyötysuhde, pieni nesteenpitokapasiteetti, kevyt ja helppokäyttöinen, minkä ansiosta työntekijät voivat aloittaa heti. Täyteaine voidaan valita asiakkaan toimittamien työolosuhteiden mukaan. On olemassa monia tyyppejä, ja yleensä käytetään korroosionkestäviä pallorenkaita. On kuitenkin huomioitava, että kiinteä suspendoitunut aine voi tukkia täyteaineen suuren hiukkashalkaisijansa vuoksi, joten se ei yleensä sovellu kiinteän aineen käsittelyyn. Esimerkiksi NH₃, HCl, H2S, typen oksidit ja tehtaiden tuottamat orgaaniset jätekaasut voidaan käsitellä tehokkaasti tällä laitteella.

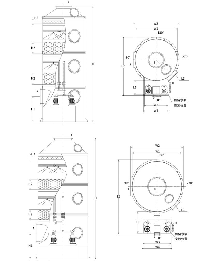
Kemiallinen pesurin rakenne:
Kuten kuvasta: Täydellinen pakattu ruiskupesujärjestelmä sisältää seuraavat osat:

1. Tornin runko PP (polypropeeni) levyistä;

2. PP-ritiläpaneeleista valmistettu pakkaustukikehys;

3. UPVC:stä valmistetut ruiskuliitosputket;

4. PP-spiraalisuuttimet;

5. Ontto pallo tai Pall-rengaspakkaus;

6. Korroosionkestävä PP-kiertovesipumppu;

7. Mesh huurteenpoistokerros;

8. Manuaaliset ja automaattiset vedentäyttölaitteet;

9. Ylivuoto- ja viemäriputket;

10. Tarkastusikkuna.

Kemiallisen pesurin valinta:
Pakatun ruiskupesurin tekninen parametritaulukko

Kuljetusmukavuuden ja turvallisuuden takaamiseksi PP-pakatut suihkupesurit jaetaan kahteen tyyppiin:

Tyyppi 1: Integroitu vesisäiliötä sisältävä ruiskupesuri (tornin halkaisija: Φ1000mm-Φ2200mm)

Tyyppi 2: Jaettu vesisäiliöpakattu suihkupesuri (tornin halkaisija: Φ2500mm-Φ3500mm)


Ilmavirran kapasiteettia vastaavat mallin tekniset tiedot:

Malli Ilmamäärä Laitteen koko Vesipumpun teho Täytteen paksuus Tuulen nopeus Varusteiden materiaali
LRTL-600 0-1500m³/h Φ600x3000 0,75 kW 500*2 1,48 m/s PP/304/Q235/FRP
LRTL-800 1501-2500m³/h Φ800x3000 0,75 kW 500*2 1,39 m/s PP/304/Q235/FRP
LRTL-1000 2501-4000m³/h Φ1000x5000 1,5kw 500*2 1,42 m/s PP/304/Q235/FRP
LRTL-1200 4001-6000m³/h Φ1200x5000 2,2kw 500*2 1,48 m/s PP/304/Q235/FRP
LRTL-1500 6001-9500m³/h Φ1500x5000 3,75 kW 500*2 1,5 m/s PP/304/Q235/FRP
LRTL-1800 9501-14000m³/h Φ1800x5000 5,5kw 500*2 1,53 m/s PP/304/Q235/FRP
LRTL-2000 14001-17000m³/h Φ2000x6000 5,5kw 500*2 1,5 m/s PP/304/Q235/FRP
LRTL-2200 17001-20000m³/h Φ2200x6000 7,5 kW 500*2 1,46 m/s PP/304/Q235/FRP
LRTL-2500 20001-27000m³/h Φ2500x6000 7,5 kW 500*2 1,53 m/s PP/304/Q235/FRP
LRTL-2800 27001-33000m³/h Φ2800x6000 15kw 500*2 1,49 m/s PP/304/Q235/FRP
LRTL-3000 33001-38000m³/h Φ3000x6800 15kw 500*2 1,49 m/s PP/304/Q235/FRP
LRTL-3200 38001-44000m³/h Φ3200x6800 15kw 500*2 1,52 m/s PP/304/Q235/FRP
LRTL-3500 44001-55000m³/h Φ3500x6800 15kw 500*2 1,5 m/s PP/304/Q235/FRP

Huomautus: Epätyypillisiä malleja voidaan räätälöidä asiakkaan vaatimusten mukaan.

Valintakaavio:

Hangzhou Lvran Environmental Protection Group Co., Ltd.

  • 1000+

    Palveluyksikön asiakkaat

  • 2000+

    National Engineering Cases

Hangzhou Lvran Environmental Protection Group Co., Ltd. on kattava jätekaasujen käsittelyjärjestelmien suunnittelupalvelujen tarjoaja ja laitevalmistaja, joka yhdistää T&K:n, tekniset palvelut, suunnittelun, tuotannon, suunnitteluasennukset ja huoltopalvelut.

We are China Kemiallinen pesuri Suppliers and Wholesale Kemiallinen pesuri Exporter, Company. Konserni on kansallinen korkean teknologian yritys, Zhejiangin maakunnan tiede- ja teknologiayritys, alueellinen T&K-keskus ja AAA-luokiteltu luottoyksikkö. Sillä on yli 30 hyödyllisyysmallipatenttia, lukuisia keksintöpatentteja ja ohjelmistojen tekijänoikeuksia. Konsernilla on pitkäaikainen tekninen T&K-yhteistyö kotimaisten yliopistojen ja laitosten kanssa, mukaan lukien Anhuin tiede- ja teknologiayliopiston kanssa perustettu "Environmental Innovation T&D Center" ja yhdessä Zhejiangin tiede-teknologian yliopiston kanssa kehitetty "Plasmaenergian ja ympäristön uuden teknologian tutkimus- ja kehityskeskus". Konserni on perustanut oman tuotekehitys- ja tuotantopohjansa syvällistä teknistä yhteistyötä varten. Konsernilla on keskeinen VOC-kaasunkäsittelyteknologia, tason 2 yleisurakoitsijan pätevyys kunnalliseen julkiseen rakentamiseen, turvallisuustuotantolupa, luokan B erikoissuunnittelun pätevyys ympäristön pilaantumisen hallintaan Zhejiangin maakunnassa, luokittelemattomat työvoimapalvelujen pätevyydet ja erikoisurakointi erikoisprojekteihin. Konsernilla on kansainvälisen laadun ISO9001, ympäristöjohtamisen ISO14001 ja työterveyden ja -turvallisuuden ISO45001 sertifikaatit.

KUNNITUS & SERTIFIKAATTI

Seuraavat kunnianosoitukset edustavat loistoamme. Saavutamme asiakkaita laadukkailla tuotteilla ja saamme paljon kiitosta markkinoilta ja kaikilta elämänaloilta hyvillä palveluilla.

  • Levytyyppinen korkean sähkökentän perusyksikkö ja reaktori vuotojen estämiseksi pintaa pitkin
  • Reaktiolaite metanolin syntetisoimiseksi hiilidioksidilla ja vedellä sekä menetelmä metanolin syntetisoimiseksi hiilidioksidilla ja vedellä
  • Itsepuhdistuva sähkösuodatin
  • Korroosionkestävä korkeapainepuhallin tuulen suunnan säätötoiminnolla
  • Säädettävä itsepuhdistuva suuritehoinen tuuletin
  • Yhdistetty katalyyttisen kaasutuksen pakokaasujen esikäsittelyn ohjausjärjestelmä
  • Höyrypuhdistus jatkuva sähköstaattisen kentän pakokaasujen puhdistus- ja käsittelyjärjestelmä
  • Matalan lämpötilan plasma UV-fotolyysi pakokaasujen puhdistusjärjestelmä
  • Tavaramerkin rekisteröintitodistus
Viimeaikaiset uutiset ja tapahtumat
Jaa kanssasi
Katso lisää uutisia